PTO Set Scania – bočna montaža za maksimalnu iskoristivost hidrauličkog sustava
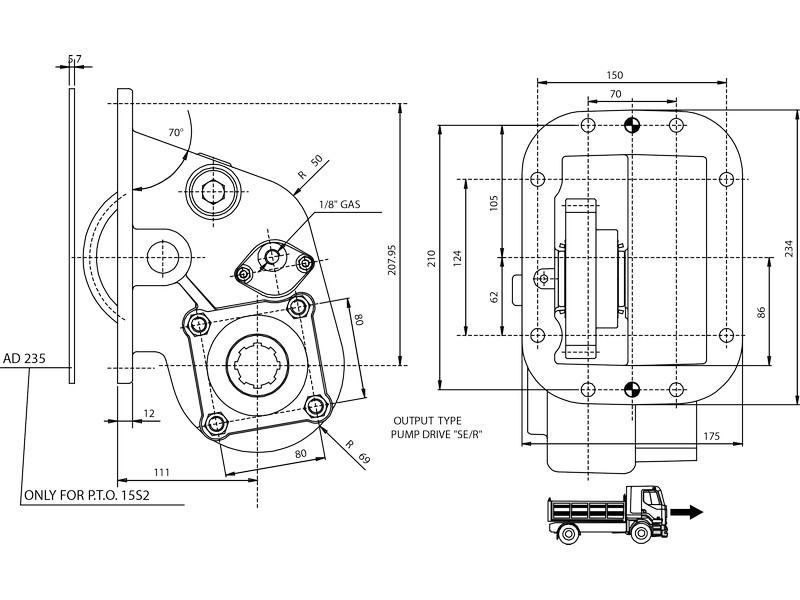
PTO set Scania montaža sa strane predstavlja visoko učinkovito rješenje za aktivaciju hidrauličkih sustava na Scania kamionima. Namijenjen je za modele kod kojih je moguć bočni pristup mjenjaču, čime se omogućuje lakša ugradnja i bolja pristupačnost servisiranju. Ukapčalica za sve tipove Scania kamiona, montaža sa strane ( GRS905, GRSO905)
Sadržaj kompleta PTO Scania (bočna montaža)
- IPH PTO ukapčalica Scania ( GRS905, GRSO905), montaža sa strane
- IPH PTO – kocka
- IPH set za montažu
- IPH prekidač
Ključne prednosti bočne montaže
- Jednostavan pristup za servisiranje i zamjene
- Kompatibilno s većinom Scania serija: R, G, P
- Idealno za kiperske sustave, vitla, dizalice i cementne miješalice
- Očuvanje prostora ispod šasije za dodatne komponente
Tehničke karakteristike
- Materijal izrade: čelik visoke tvrdoće
- Radni tlak: do 200 bara
- Rotacija: standardna u skladu s PTO vratilom Scanije
- Temperaturna otpornost: -40°C do +90°C
Gdje se koristi PTO set Scania s bočnom montažom?
Idealan je za profesionalnu upotrebu u:
- Građevinskim vozilima sa kiperskim nadogradnjama
- Komunalnim kamionima s vitlima
- Specijalnim vozilima za transport rasutih i tekućih materijala
Zašto odabrati Premium Flow Solutions?
Naš stručni tim nudi tehničku podršku prije, tijekom i nakon kupnje. S PTO setom Scania bočna montaža dobivate testirano, provjereno i izdržljivo rješenje koje se može ugraditi bez potrebe za dodatnim modifikacijama na vozilu. Brza dostava i dostupnost rezervnih dijelova dodatno olakšavaju održavanje.
Pouzdajte se u provjerenu opremu – optimizirajte svoje vozilo za vrhunske performanse na terenu i u radionici.






